384

 

 

 

 

Naver

[모터 전류 토크 관계] :: 토크와 스피드는 반비례한다.

[모터 전류 토크] 

 

 

 

흔히 물어보는 질문들

토크와 스피드는 반비례한다.

해비급 권투선수는 스피드는 느리지만 묵직한 힘이 있고

라이트급 권투선수는 스피드는 빠르지만 힘이 약한것에 비유할 수 있다.

 

 

 

▼모터 스팩에 있는 단위를 원하는걸로 바꾸서 계산할때 필요한 사이트이다.

나라별로 조금씩 다르므로 해외직구를 할때 국내에서 파는 모터들과 비교해서 원하는 제품이 맞는지 확인할때 유용하다.

http://www.translatorscafe.com/cafe/EN/units-converter/surface-tension/2-4/millinewton%2Fmeter-dyne%2Fcentimeter/

1N/m = 1000mN/m

1N/m = 1.019gf/cm    (1N/m는 약 1gf/cm 이다.

(1cm를 움직이게할때 약1g을 드는 힘(=Force)이가해져야한다.)

참고로 1N = 9.8kg

1kg의 물체에 9.8m/s²의 초당 중력가속도가 발생하기 때문이다.

 

▼아래 표 참고

http://www.endmemo.com/sconvert/n_mgf_cm.php

 

---------------------------------------------------------------------------------------------------

▼예시 모터 데이터시트 (저랑 관련없는 회사입니다.)

http://www.hcmfa.com/admin/data/product/1412290011_1.pdf

▲3쪽 요약정리

모터의 출력축에 토크를 증가시키면 그것에 거의 비례해서 회전수가 저하하고 전류는 역으로 증가합니다.

토크의 단위는 무게X이동거리 이다.

N.m kgf.m

1N = 0.101972 Kgf(=킬로그램 힘)

 

 

▼이게 뉴튼을 측정할수있는 Newton Meter라고 불리는 측정장비입니다.

 

 

 

=========================================================

http://www.me.umn.edu/courses/me2011/arduino/technotes/dcmotors/motor-tutorial/

 

Introduction

The DC, permanent magnet, brushed electric motor is the workhorse of small, powered mechanical systems. 

Examples are the small motor and the gear motor in the ME2011 Robot kit are shown below.

 

.

.

.

Torque-Speed Curve

Motors have torque-speed curves. 

For a fixed input voltage from a battery, the motor speed slows down as it is loaded. 

With no load on the shaft (free-running), the motor runs at the no-load speed (NLS), the fastest possible speed for that voltage. 

 

When the shaft is fully loaded and not allowed to move, the speed is zero and the motor is producing its stall torque (ST), the maximum possible torque.

(모터에서 stall은 Torque의 임계치를 의미한다.)

At stall torque, the current drawn out of battery is at its maximum, as is motor heating. Motors should be operated at stall only for brief periods of time (seconds) to save on batteries and to keep the motor from melting. The chart below shows an ideal motor torque-speed curve. The point labeled as the operating point indicates the speed the motor will run when driving a specific operating load. As that load changes, the operating point slides up and down the torque-speed curve.

 


 

모터뱅크에서 햇갈리게 구매하기 쉬운 모터드라이버 제품들

★잘못 기재한 spec을 보고 구매한 고객들에게 책임을 전가하므로 알아서 스팩을 찾아봐야한다.

 

 

DC Motor Driver DMD-50-SD :: 13200원 (SD=Single Direction)

DMD-50 :: 41800원 (쌍방향)

 


AC모터 Back EMF

 

 


 

 

220/380 Voltage라고 표기되어있다.

델타(Δ)결선 일경우 220V를 인가하면되고

와이(Y)결선 일경우 380V를 인가하면 된다.

 

 

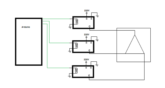
델타결선 최종

★릴레이의 코일부분에 있는 GND는 Controller용 GND이고, 렐레이의 스위치 부분에 있는 GND는 220V용 GND이다.

 

 

아래 그림에서 스위치를 닫으면 Δ가 되고, 열면 Y가 된다.

각 극성은 R,S,T 이며 어떤순서로 돌아가느냐에 따라 정방향 역방향으로 나뉜다.

 

 

https://www.edaboard.com/showthread.php?116769-Can-I-connect-the-AC-ground-and-DC-ground-together-in-this-circuit

▲위 그림에선 GND가 같은 GND가 아니라고 언급하고 있다.

맞는말이긴 하다. 하지만 그 GND를 하나로 합친다고 Controller가 damage를 입지는 않는다.

My problems had got solved now.I call my teacher today, he advises me to short the center tap transformer ground with the power supply ground.After doing so, I still didn't get the square wave, then I short the resistance, because the center tap transformer don't provide much current.It was a small transformer, so I thought may be 1kOhm resistor is too much for it and cannot provide the base current to the transistor.So I short the resistor, then I use the oscilloscope and with respect to ground (AC+DC) I checked the signal on the collector of the NPN transistor, there was a perfect square wave and a smile on my face :D


I don't understand the concept of shorting the AC ground with the DC ground, as why we do it and my another teacher while teaching us the circuit of microcontroller 8051 that was turning ON/OFF the electric bulb powered by 220V/50Hz through the help of RELAY.He said you don't short the 8051 GND with the Ground of the bulb.I don't remember the circuit, but it was something like this one.

 

 

▼Center Tap Transformer는 가운에 Neutral을 갖고있다.

+전압 -전압이라고 이해하면 된다.

-전압이 되면 Neutral이 Line2에 비해서 상대적으로 높은전압을 갖게된다.

 

▼어떤 Phase로 동작하는지에 대한 자료 Site

https://www.quora.com/What-is-the-voltage-between-neutral-and-earth-connection-in-3-phase-power-supply

+ Recent posts